服务咨询电话

180-1954-5300
180-1954-5300

技术转移

推荐资讯

合肥市
当前位置:首页 > 技术转移 > 合肥市

机器人与智能制造项目推介整理——28、一种用于LED 贴装的模组式高速贴装头

发表于:2019-09-04

作者:伟德国际1946bv官网信息

浏览 128 次

文章导读:为加快 G60 科创走廊高端创新要素整合集聚,促进 G60科创走廊九城市科技成果转移转化和知识产权运营交易,同时为筹备好“G60 科创走廊科技成果拍卖会”,G6...

申请号:  

CN201210109476.X

申请日:

2012.04.13

应用领域:  

电子装联的贴片机领域

项目简介:  

 

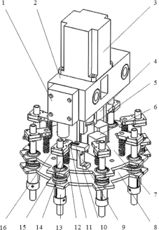
本发明涉及电子装联的贴片机领域,具体涉及一 种用于贴片机的经济型高速贴装头技术。目的是提供 一种结构布局合理、传动简捷、总体体积小、重量轻, 且同时兼有高速与成本低的特点的贴装头。一种用于LED 贴装的模组式高速贴装头,包括转盘旋转机构、吸嘴升降机构、吸嘴旋转机构、电气保护及接口转换 装置和吸嘴,所述的转盘旋转机构包括贴装头固定座、用于提供驱动力安装在贴装头固定座上的直流伺服 电机、保持联动的第一转盘、第二转盘、将第一转盘 与直流司服电机的输出端连接的转盘连接架和转盘 轴。 

 

 

 

机器人与智能制造项目推介整理——28、一种用于LED 贴装的模组式高速贴装头 

 

 

 

 

 

 

 

 

技术优势:

该模组式贴装头集成了 8 个贴装吸嘴,来回一次贴装的过程中可以完成 8 个元器件的贴装,大大提高了贴装速度;该模组式贴装头在集成 8 个贴装吸嘴的同时,只采用了一个直流伺服电机、四个步进电机、一个直线电机,大大降低了高速贴装头的成本;本发明装置结构简单,布局合理,圆盘式的吸嘴布置可以最大限度的减小贴装头的体积及重量,电气组合滑环可以有效防止电、气路的缠绕。

  

 

 

(以上资讯来源于网络,如有侵权,请联系管理员删除。)


伟德国际1946bv官网 版权所有 免责声明

地址:安徽省合肥市高新区天元路软件园1号楼210-212室

电话:180-1954-5300 QQ:2501649871

COPYRIGHT © 伟德国际1946bv(中国)有限公司-官方网站 版权所有 ALL RIGHTS RESERV      网站备案号:皖ICP备2023003016号-1
服务热线

180-1954-5300

安徽省合肥市高新区天元路软件园1号楼210-212室

Top